C&C Hydraulics - Home

C&C Hydraulics Ltd
Unit 3, Aireside Business Park
Royd Ings Avenue, Keighley, BD21 4BZ
sales@nullcchydraulics.co.uk

  • Home
  • Catalogue
    • 3.5 Tonne Scissor Gear
    • Auto Sheeting Systems
      • Auto Sheeting System for Agricultural Tractor Trailer
      • Solarpanel Box
      • Sheeting Kit for 11.5m Tipping Trailer – rev.B
      • Sheeting Kit for 11.5m Tipping Trailer with Remote Pump Override
      • YBZ6 Pack hydraulic components 3D Schematic rev4
    • Beaver Tail Kits
      • Beaver Tail Kit
      • Beavertail Kit Key Dimensions
      • Cheese Wedge Ramps
      • Hydraulic Beaver Tail Ramp System (Valve Controlled)
    • Cetop 3 Valves
      • Cetop 3 Module Over Centre Valve
      • Cetop Valve With Manual Override
      • Cetop Valves Standard
      • Single Solenoid Unloader Valve
    • Control Valves
    • Dock Leveller Kit
    • Double Acting Cylinders
      • 700 32 Bore / 20 Rod
      • 701 Series Cylinders 40 Bore 25 Rod
      • 702 Series Cylinders 50 Bore 30 Rod
      • 703 Series Cylinders 60 Bore 30 Rod
      • 704 Series Cylinder 70 Bore 40 Rod
      • 705 Series Cylinder 80 Bore 40 Rod
      • 706 Series Cylinder 100 Bore 50 Rod
      • 707 Series Cylinder 120 Bore 70 Rod
      • 75090 Series Cylinder 90 Bore 50 Rod
      • Micro Cylinders
    • Flow Dividers
      • 2 way gear flow divider without relief valve (for small flow rates)
    • Gear Pumps & Piston Pumps
    • Hand Pumps
      • Eco Hand Pumps With Plastic Tank
      • Hand Pump Orientation
      • Hand Pumps Technical Data
      • Inline Hand Pumps and Spares
      • Inline Hand Pumps Applications
      • New Adaptor for hand pumps
      • Steel Tank Standard Hand Pumps
    • Hydraulic Kits & Systems
      • Clean Sweep (Hydraulic Bulk Head) system
      • Eco Bin Tipper
      • Hydraulic Wheelie Bin Tipper – Sumo Uni-Lift
      • Slew Ring Driven Cover System
      • Wheelie Bin Compactor (WBHC-1)
    • Hydraulic Motors
      • Thru Shaft Hydraulic Motors
    • Icarus Blue app-controlled receiver
      • Icarus Blue R820
      • Icarus Blue TM600
    • Levelling Systems
      • Hopkins Motorsport Self Leveling System
      • levelling System with Manual Override
      • Self level hydraulic piping instruction
      • Self Levelling System
    • Pack In a Box Systems
    • Power Packs
      • 24vDC 4.5KW 8.0cc motor pump power pack
      • 3 Phase Powerpack
      • All our 12v and 24v power packs are now E11 certified.
      • Ambulance Power Pack
      • Battery Rotary Isolator Switch
      • Compactor Pack
      • DC Power Units Owner Manual
      • Dock Leveller Power Pack
      • Lift Power Pack
      • Manifold Options
      • Micro Power Pack
      • Motor Options
      • Optional Extras
      • Performance Curve
      • Reversible Power Pack
      • Self Levelling Pack
      • Single Phase Powerpack
      • Snow Plough Power Pack
      • Tanks
      • Tipper Packs
      • Tower Lift Pack
      • Wander Leads
    • Power Tool Driven Pumps
      • Port-a-Pump System
    • Safety Valves & Accessories
      • Adaptable Banjo
      • Banjo Mounted Over Centre Valves
      • BL14DC30-350 OVERCENTRE VALVE
      • Cylinder Mounted Over Centre Valve
      • Double Pilot Operated Check Valves
      • Flow Control Valve FG6-G FG8-G
      • Sequence Valve and Hose Burst Valves
      • Solenoid Operated Check Valves
    • Scissor Kits
      • 5-6 Tonne Scissor Kit
      • Scissor Kits
    • Single Acting Cylinders
      • 625 Series Cylinders 32 Bore 25 Rod
      • 630 Series Cylinders 40 Bore 30 Rod
      • 640 Series Cylinders 50 Bore 40 Rod
      • 645 Series Cylinders 50 Bore 45 Rod
      • 650 Series Cylinders 55 Bore 50 Rod
      • 655 Series Cylinders 60 Bore 55 Rod
      • 660 Series Cylinders 65 Bore 60 Rod
    • Special Cylinder Designs
      • Double Acting Telescopic
      • SA Displacement Telescopic
      • Special Cylinders 1
      • Special Cylinders 2
      • Synchronised Telescopic
    • Telescopic Cylinders
      • 3.5 ton tipping trailer telescopic cylinders
      • Choosing a Telescopic
      • Longer Stroke Telescopic Cylinders
      • Mini Telescopic
      • Single Acting Telescopics Tech Data
      • Telescopic Cylinder Swivel Joint
      • Telescopic Cylinders Standards
    • Tipper Kits
      • 3.5 Ton Trailer Tipping Kit
      • 3.5 Tonne Scissor Gear
      • 3.5 Tonne Tipper kit
      • 5-6 Ton Tipper Kits
      • All our 12v and 24v power packs are now E11 certified. Tipper Kits.
      • Tipper Kit for Pick Ups 1.5T
      • TK2.6 Tipping Trailer Kit
    • Wheelie Bin Compactor (WBHC-1)
    • YOULI Monoblock Valves
    • YOULI Proportional Valves
    • YOULI Sectional Valves
  • News
  • About Us
    • Global Partners
  • Contact Us
  • Menu

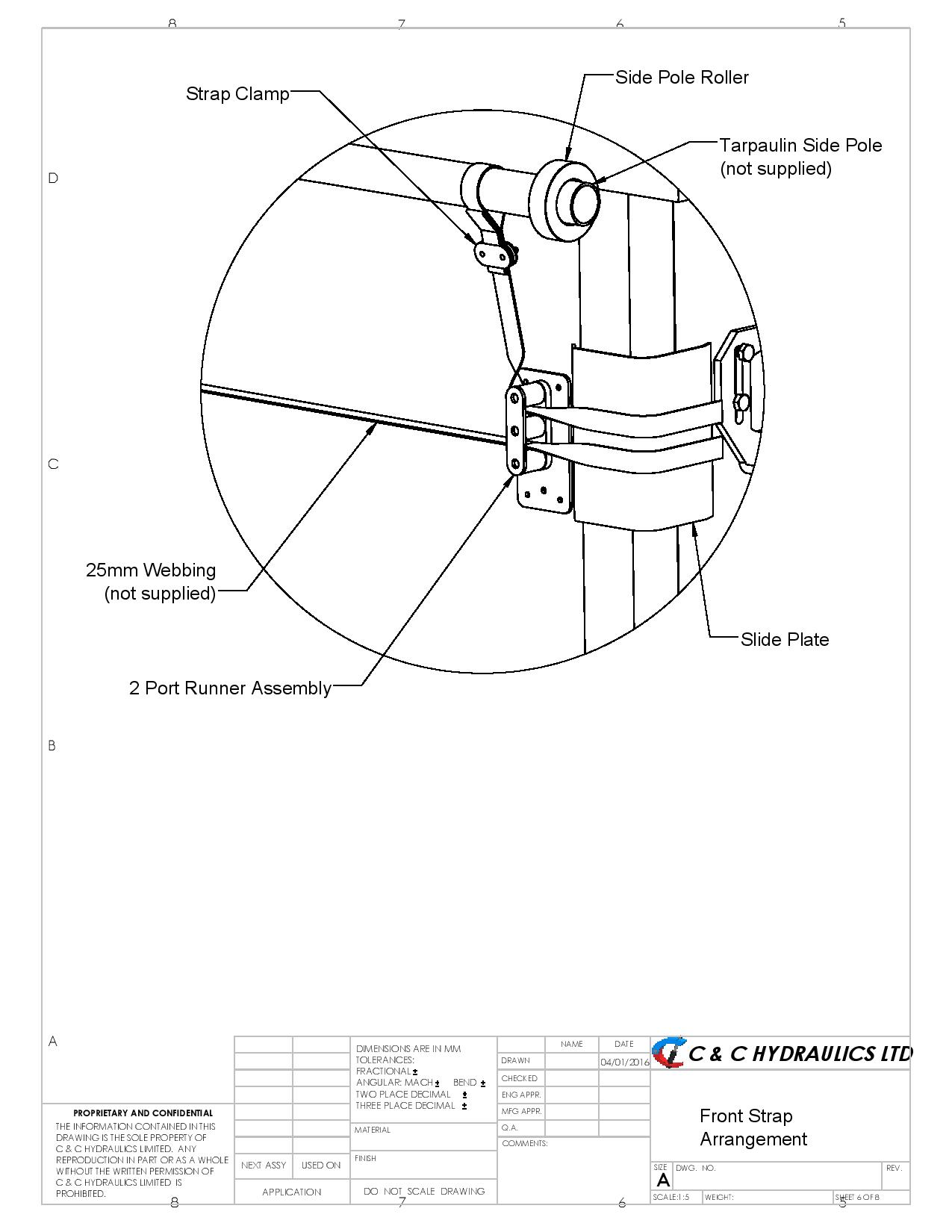
Sheeting Kit for 8 Wheeler Tipping Body rev.B page 006

Posted on April 8, 2026April 8, 2026 by Geoff Foster
← Previous Next →
Sheeting Kit for 8 Wheeler Tipping Body rev.B page 006
© 2026 C&C Hydraulics Ltd Terms of Service - Privacy Policy
A SiteOrigin Theme